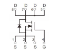
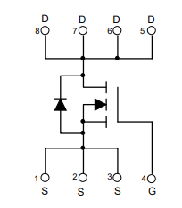
| Part Number | Download | Circuit | Status | Type | Process |
ESDYes/No |
VDSV |
VGSV |
IDA |
VGS(TH)V |
RDS(mΩ)@VGS10V Typ |
RDS(mΩ)@VGS10V Max |
RDS(mΩ)@VGS4.5V Typ |
RDS(mΩ)@VGS4.5V Max |
Package |
|
|
|
|
|
|
|
|
|
|
|
|
|
|
|
||
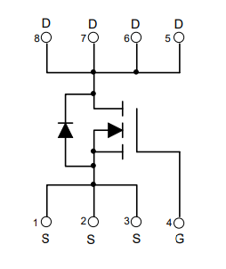
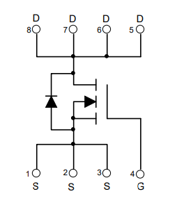
| CJAC3R6SN10AH |
![]() |
![]() |
Active |
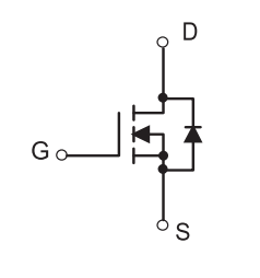
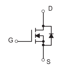
Single-N |
SGT |
No |
100 |
±20 |
180 |
2.4~3.8 |
3 |
3.6 |
|
|
PDFNWB5x6-8L-F |
| CJQ014SN06AL |
![]() |
![]() |
Active |
Single-N |
SGT |
No |
60 |
±20 |
12 |
1.3~2.5 |
9.4 |
11.5 |
13.3 |
16.5 |
SOP8 |
| CJAC5R0SN06AL |
![]() |
![]() |
Active |
Single-N |
SGT |
No |
60 |
±20 |
98 |
1.3~2.3 |
3.8 |
5 |
5.2 |
7.6 |
PDFNWB5x6-8L |
| CJAC6R0SN10AL |
![]() |
![]() |
Active |
Single-N |
SGT |
No |
100 |
±20 |
95 |
1.4~2.4 |
4.6 |
6 |
6.5 |
8.6 |
PDFNWB5x6-8L |
| CJAC75SN10L |
![]() |
![]() |
Active |
Single-N |
SGT |
No |
100 |
±20 |
75 |
1.4~2.5 |
9.4 |
12 |
12.4 |
16 |
PDFNWB5x6-8L |
| CJQ9R9SN065AL |
![]() |
![]() |
Active |
Single-N |
SGT |
No |
65 |
±20 |
11 |
1.3~2.5 |
7.5 |
9.9 |
9.7 |
15 |
SOP8 |
| CJQ10SN15S |
![]() |
![]() |
Active |
Single-N |
SGT |
No |
150 |
±20 |
10 |
2~4 |
40 |
52 |
- |
- |
SOP8 |
| CJAB30SN10H |
![]() |
![]() |
Active |
Single-N |
SGT |
No |
100 |
±20 |
30 |
2~4 |
14 |
17.5 |
- |
- |
PDFNWB3.3x3.3-8L |
| CJD65SN10H |
![]() |
![]() |
Active |
Single-N |
SGT |
No |
100 |
±20 |
65 |
2~4 |
11 |
13.6 |
- |
- |
TO-251S |
| CJAE9R0SN06AL |
![]() |
![]() |
Active |
Single-N |
SGT |
No |
60 |
±20 |
50 |
1.3~2.5 |
7 |
9 |
10 |
13 |
DFNWB3x3-8L |
| CJB120SN08H |
![]() |
![]() |
Active |
Single-N |
SGT |
No |
85 |
±20 |
120 |
2~4 |
5.1 |
6.1 |
- |
- |
TO-263-2L |
| CJP180SN10 |
![]() |
![]() |
Active |
Single-N |
SGT |
No |
100 |
±20 |
180 |
2~4 |
2.5 |
3 |
- |
- |
TO-220-3L-C |
| CJP150SN10 |
![]() |
![]() |
Active |
Single-N |
SGT |
No |
100 |
±20 |
150 |
1.5~2.5 |
3.2 |
3.9 |
4.5 |
6.5 |
TO-220-3L-C |
| CJAC50SN03 |
![]() |
![]() |
Active |
Single-N |
SGT |
No |
30 |
±20 |
50 |
1~2.5 |
3.8 |
4.95 |
5.5 |
7.2 |
PDFNWB5x6-8L |
| CJAC40SN10L |
![]() |
![]() |
Active |
Single-N |
SGT |
No |
100 |
±20 |
40 |
1.4~2.4 |
13 |
16 |
18 |
25 |
PDFNWB5x6-8L |
| CJB3R0SN10B |
![]() |
![]() |
Active |
Single-N |
SGT |
No |
100 |
±20 |
180 |
2~4 |
2.5 |
3 |
- |
- |
TO-263-2L |
| CJB3R9SN10B |
![]() |
![]() |
Active |
Single-N |
SGT |
No |
100 |
±20 |
150 |
1.5~2.5 |
3.3 |
3.9 |
4.5 |
6.5 |
TO-263-2L |
| CJAC2R5SN04C |
![]() |
![]() |
Active |
Single-N |
SGT |
No |
40 |
±20 |
130 |
1~2.5 |
2 |
2.5 |
3 |
4.5 |
PDFNWB5x6-8L |
| CJAB3R9SN04C |
![]() |
![]() |
Active |
Single-N |
SGT |
No |
40 |
±20 |
70 |
1~2.5 |
3 |
3.9 |
4.3 |
6.5 |
PDFNWB3.3x3.3-8L |
| CJAC1R3SN04C |
![]() |
![]() |
Active |
Single-N |
SGT |
No |
40 |
±20 |
190 |
1~2.5 |
1 |
1.25 |
1.4 |
2 |
PDFNWB5x6-8L |